摘 要:為實現電氣防火限流保護器電氣性能的自動測試,研制了一套基于LabVIEW的電氣防火限流保護器電氣性能自動測試裝置。該裝置可以實現對0-40A、0-63A、160-250A等多種規格的電氣防火限流保護器電氣性能自動測試。測試內容包括短路限流試驗、過負荷保護試驗和電壓波動試驗。測試裝置可以自動捕獲短路限流試驗波形和過負荷保護試驗波形,準確計算短路限流時間和過負荷保護時間,并存儲波形、數據和生成測試報告。選用額定工作電壓220 V、電流10A的電氣防火限流保護器作為被測試樣例進行測試,測試結果表明,所開發的測試裝置提高了測試效率和安全性能,降低了測試成本,實現了電氣防火限流保護器電氣性能測試的自動化和智能化。
關鍵詞:電氣防火限流保護器;短路限流
近年來,因線路短路、過負荷及電氣設備故障等原因引發的電氣火災已成為所有火災中發生頻率較高、造成損失較大的一類火災,根據公安部消防局發布的中國消防年鑒顯示,2014—2017年電氣火災數量占總體火災數量的比重呈逐年上升趨勢,2017年達到了35.7%,給人民的生命財產安全帶來極大的威脅。電氣線路短路時,由于現有的機械式斷路器存在關斷速度慢、無法限制短路電流、開斷時會產生電弧等問題,往往會造成事故擴大,誘發電氣火災,例如哈爾濱“8·25"和北京大興“11·18"兩起造成重大人員傷亡的火災事故均是由電氣線路短路、機械斷路器未能可靠保護、引燃周圍可燃物所致。為了降低火災隱患,全國消防標準化技術委員會火災探測與報警分技術委員會聯合相關企業制定了相應的國家標準《電氣火災監控系統第6部分:電氣防火限流式保護器》,要求電氣防火限流保護器完成短路限流時間應不大于150μs。能夠對電氣短路故障實現微秒級限流保護,可以大大降低因電氣線路短路造成的火災事故。目前該標準正處于報批階段。
為了實現測試裝置的研發與測試標準的報批同步進行,為標準正式出臺后的順利實施奠定基礎。為此,在滿足測試標準要求的測試方法基礎上,進一步提高測試效率,降低測試成本,設計開發了一套基于LabVIEW的電氣防火限流保護器電氣性能自動測試裝置,利用該測試裝置可以實現對多種規格的電氣防火限流保護器電氣性能自動測試,測試內容包括短路限流測試、過負荷保護測試和電壓波動測試。在測試結束之后自動生成測試報告,實現了對電氣防火限流保護器電氣性能測試的自動化和智能化。
2.1 方案設計依據
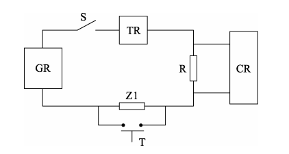
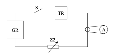
依據標準中對電氣防火限流保護器電氣性能測試的相關規定,短路限流測試電路如圖1所示,過負荷保護測試電路如圖2所示。圖1和圖2中的GR為電壓源、TR為被測試樣、S為單刀單擲開關、R為0.01Ω無感取樣電阻、CR為示波器、T為按鈕開關、Z1為3~6A阻性負載,圖2中A為鉗式電流表、Z2為25~50A阻性負載。
短路限流測試步驟:將被測試樣按圖1所示與設備連接,閉合開關S,保護器正常工作,按通按鈕開關T,記錄并觀察閉合瞬間示波器顯示的R兩端電壓波形,記錄被測試樣完成短路限流時間。

圖1 短路限流測試電路
過負荷保護測試步驟:將被測試樣按圖2所示與設備連接,導線上套入鉗式電流表A,將開關S接通后,記錄試樣完成過負荷保護時間。
電壓波動測試步驟:將被測試樣按正常工作要求進行布置,分別按額定電壓的110%和85%給試樣供電,重復上述短路限流測試和過負荷保護測試。

圖2 過負荷保護測試電路
2.2 整體設計方案
根據標準中規定的測試方法,設計了一套基于LabVIEW的電氣防火限流保護器電氣性能自動測試裝置,裝置整體方案設計框圖如圖3所示。基于LabVIEW的測試軟件安裝在工控機上,測試軟件通過電壓檢測模塊、高速電流采集模塊分別采集調壓器輸出側的電壓和線路中的電流,根據測試內容自動控制調壓器輸出電壓、可調負載切換阻值、接觸器KM開關狀態以及短路支路是否短路。

圖3 整體方案設計框圖
硬件設計主要包括工控機、供電單元、可調負載、高速電流采集模塊、短路支路和電壓檢測模塊的選擇與設計。工控機選用研華公司的IPC-610L;可調負載型號為RXF-AC220V 1-64A交流負載,可調負載上安裝有DC24V繼電器,可通過控制繼電器進行阻值切換;高速電流采集模塊選用固緯MDO-2000E系列多功能混合域示波器,頻率帶寬200MHz,較大實時采樣率可以達到1GSa/s。
3.1 供電單元設計
在對電氣防火限流保護器進行電氣性能測試時,需要進行電壓波動測試,分別按額定電壓的110%(約242V)和85%(約187V)給被測試電氣防火限流保護器供電。因此,供電單元應滿足輸入電壓為交流220V,輸出電壓為0~250V的要求,用于給被測試樣以及整個裝置供電。供電單元硬件電路如圖4所示。

圖4 供電單元硬件電路圖
供電單元由調壓器、步進電機和步進電機驅動器組成。所選用的調壓器型號為TEGGC2J-30KVA,輸入電壓為單相220V,輸出電壓0~250V,輸出額定工作電流為120 A;選用的步進電機驅動器型號為HST884A,采用直流24~50V供電。工控機可通過控制步進電機調節調壓器的輸出電壓,避免了手動操作。
3.2 短路支路設計
在進行短路限流測試時,接觸器和雙向可控硅構成短路支路。選用雙向可控硅作為短路支路時,可以準確控制短路發生的相位角,但是因為可控硅導通時存在通態壓降,在一定程度上會限制短路電流的增長。接觸器在導通時電阻小,不會因為接觸器的原因影響短路電流的大小,但是無法控制短路發生的相位角。當對短路發生的相位角有要求時,選用雙向可控硅作為短路支路;當對短路發生的相位角沒有要求時,選用接觸器作為短路支路。短路支路硬件電路如圖5所示,所選用的雙向可控硅TRIAC型號為MTC1000A,額定電流1000A,額定電壓1600V;可控硅觸發器型號為SCR-Y,觸發功率大,可以直接觸發3000A以內的可控硅。在進行過負荷保護測試時,控制器控制可控硅觸發器脈沖信號,雙向可控硅不導通,或斷開接觸器,短路支路斷開;在進行短路限流測試時,控制器控制可控硅觸發器發出脈沖信號,使雙向可控硅處于導通狀態或閉合接觸器,將負載短路。

圖5 短路支路電路
3.3 電壓檢測模塊的選擇與設計
利用電壓檢測模塊對供電單元輸出側的交流電壓進行檢測,所選用的電壓檢測模塊型號為KBM-44交流電壓隔離變送器,該交流電壓隔離變送器電壓檢測范圍為0~250 V,支持modbus通信協議,可以直接和上位機之間進行通信,將檢測到的交流電壓有效值上傳給上位機測試軟件。
為了充分利用LabVIEW圖形化的編程特點以及靈活、有效的儀器控制方式,使開發的測試軟件具有更高的可靠性,基于LabVIEW 2018開發了裝置的測試軟件。LabVIEW由美國國家儀器(NI)公司研制開發,它以G編程語言為基礎,是開發測試、測量以及儀器控制的理想選擇,適用于數據采集、控制、數據分析和圖像顯示等,目前已廣泛應用于各種測試領域。
測試軟件由測試界面和測試程序兩部分組成。測試界面用于對測試參數和測試內容進行設置;測試程序則根據設置的測試參數和測試內容執行相應的操作,主要包括供電程序、短路限流測試程序、過負荷保護測試程序和時間計算子程序。
4.1 測試軟件界面設計
測試軟件界面如圖6所示,左側設置有供電電壓單選按鈕、參數確認按鍵和供電電壓確認按鍵,針對電壓波動測試,在供電電壓單選按鈕中設置了187、220、242V三個電壓,可根據測試內容進行選擇。右側設置有額定工作電流枚舉按鈕、短路限流測試按鍵、過負荷保護測試按鍵和生成報告按鍵,額定工作電流枚舉按鈕中設置了10、20、32、63A四個規格,可根據被測試樣的規格選擇對應的額定工作電流。

圖6 測試軟件界面
4.2 供電程序設計
測試裝置供電程序流程圖如圖7所示。在對電氣防火限流保護器進行電壓波動測試時,調壓器輸出側需要提供187V和242V電壓;在進行短路限流測試和過負荷保護測試時,調壓器輸出側需要提供220V電壓。在測試軟件界面選定供電電壓之后,軟件通過電壓檢測模塊實時讀取調壓器輸出側的電壓有效值,并判斷其是否在設定的電壓范圍之內,若在范圍之內,則調壓結束;反之,繼續進行調整,判斷其是否大于設定范圍的較大值。若大于,則使步進電機反轉,減小調壓器輸出側電壓;反之,使步進電機正轉,增大調壓器輸出側電壓。重復上述操作,直至調壓器輸出側電壓調整到設定范圍之內,保證供電電壓的準確性。

圖7 測試裝置供電程序流程圖
4.3 短路限流測試和過負荷保護測試程序設計
短路限流測試程序流程和過負荷保護測試程序流程分別如圖8和圖9所示。對測試裝置的供電電壓進行調整確認之后,在測試軟件界面點擊短路限流測試按鍵或過負荷保護測試按鍵,便可以進行短路限流測試或過負荷保護測試,執行相應的流程,得到短路電流波形、過負荷電流波形、短路限流時間和過負荷保護時間,并將波形和數據保存,用于后期生成測試報告。

圖8 短路限流測試程序流程圖

圖9 過負荷保護測試程序流程圖
4.4 時間計算子程序設計
電氣防火限流保護器完成短路限流時間為從流過保護器的短路故障電流值超過短路保護整定電流報警值時到短路故障電流降到其值5%時的時間間隔。短路限流時間計算子程序如圖10所示。

圖10 短路限流時間計算子程序流程圖
過負荷保護時間為從流過保護器的負載電流值超過過負荷保護整定電流報警值時到負載電流降到其值5%時的時間間隔。過負荷保護時間計算子程序流程和短路限流時間計算程序類似,只是過負荷時高速電流采集模塊的采樣率和短路時設置不同。
5.1 概述
ASCP系列電氣防火限流式保護器可有效克服傳統斷路器存在的短路電流大、動作時間長、短路電弧大、使用壽命短等弊端。發生短路故障時,能以微秒級速度快速限制短路電流以實現滅弧保護,從而能顯著減少電氣火災事故,保障使用場所人員和財產的安全。
5.2 功能特點

1)短路限流:當線路發生短路故障時,能在150us內實現快速限流保護,因短路電流過大所引起的電氣火災事故。
2)過載限流:當被保護線路的電流超過額定電流,線路過載且過載持續時間超過設定時間(3-60秒)時,保護器進行限流保護。
3)超溫限流:當保護器的內部元器件溫度超過設定值時,產品啟動超溫限流保護功能,防止因溫度過高造成產品損壞。
4)過/欠壓保護:當保護器檢測到線路電壓欠壓或過壓時,保護器發出聲光報警信號,可預先設置是否啟動限流保護。
5)線纜溫度監測:當被監測線纜溫度超過報警設定值時,保護器發出聲光報警信號,可預先設置是否啟動限流保護。
6)漏電流監測:當被監測的線路漏電超過報警設定值時,保護器發出聲光報警信號,可預先設置是否啟動限流保護。
7)通訊功能:具有1路RS485接口,1路2G無線通訊,可以將數據發送到后臺監控系統,實現遠程監控。監控后臺可以是安科瑞Acrel-6000/B電氣火災監控主機,也可以是安科瑞Acrel-6000安全云平臺,或第三方監控軟件或平臺。
5.3 設備選型
應用場合 | 型號 | 產品圖片 | 主要功能 |
可廣泛應用于學校、醫院、商場、賓館、娛樂場 所、寺廟、文物建筑、會展、住宅、倉庫、幼兒園、老年人建筑、集體宿舍、電動車充電站及租賃式商場商鋪、批發市場、集貿市場、甲乙丙類危險品庫房等各種用電場所末端干、支路的線路保護。 | ASCP210-40D |
| 可實現短路限流滅弧保護、過載限流保護、內部超溫限流保護、過欠壓保護、漏電監測、線纜溫度監測等功能,1路RS485通訊,1路GPRS(或NB)無線通訊,額定電流為0-40A,額定電流菜單可設。 |
ASCP210-63D |
| 可實現短路限流滅弧保護、過載限流保護、內部超溫限流保護、過欠壓保護、漏電監測、線纜溫度監測等功能,1路RS485通訊,1路NB(或4G)無線通訊,額定電流為0-63A,額定電流菜單可設。 | |
ASCP310-63B |
| 三相限流式保護器,主要應用于電動汽車充電站的線路保護。具有短路限流,過載限流、內部超溫限流、過欠壓、漏電監測及線纜溫度監測功能,帶1路RS485通訊,額定電流為63A,并可通過主機菜單進行設置。 | |
ASCP320-160B |
| 三相限流式保護器,主要應用于電動汽車充電站的線路保護。具有短路限流,過載限流、內部超溫限流、過欠壓、漏電監測及線纜溫度監測功能,帶1路RS485通訊,額定電流為160-250A,并可通過主機菜單進行設置。 |
本文研制的一套基于LabVIEW的電氣防火限流保護器電氣性能自動測試裝置可以實現對0-40A、0-63A、160-250A等多種規格的電氣防火限流保護器電氣性能自動測試,可以自動捕獲短路限流試驗波形和過負荷保護試驗波形,準確計算得到短路限流時間和過負荷保護時間,并能生成測試報告。測試表明,該測試裝置提高了測試效率和安全性能,降低了測試成本,實現了電氣性能測試的自動化和智能化。